Ota yhteyttä!

TUPLAAJAVENTTIILI 6/2 3/8 12V PINOTTAVA

FM2510

- 6/2 venttiili
- jännite 12 V
- liitännät 3/8" BSP
- max. virtaus 40 l/min
- max. paine 310 bar
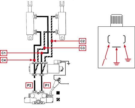
- piirroskuvassa hydrauli- ja sähkökytkentä

6-tiejakoventtiili:
- solenoiditoimisen 6-tiejakoventtiilin avulla pystyt lisäämään kaksitoimisen hydrauliventtiilin käyttöominaisuuksia siten, että yhtä karaa voit nappia painamalla käyttää kahteen eri tarkoitukseen
- joissakin koneissa lisäkaran asentaminen on erittäin kallis ja vaikea operaatio, 6-tiejakoventtiili on suunniteltu ratkaisemaan juuri tämä ongelma
- se voidaan asentaa järjestelmiin, jotka mahtuvat ohessa olevien paine- ja virtausrajojen sisään
- venttiiliä hallitaan joko vipuun asennetusta erikoiskytkimestä tai sitten tavallisesta kytkimestä, joka kestää min. 6A virran
- periaatekuvasta näet sekä hydraulisen että sähköisen puolen toimintaperiaatteen
- käyttökohteita esim. työkoneet, rehuleikkurit, erilaiset kuormaimet, hydrauliset työntövarret ja kaltevuuden säätimet ym.
- huomio että venttiilin voit asentaa myös työkoneeseen
- liitettäessä venttiileitä toisiinsa suositellaan käytettäväksi kuusiokoloruuvia M8 DIN912 kovuus 8.8 (min)
- ruuvin pituus 125 mm kahdelle venttiilille, 190 mm kolmelle venttiilille (kiritysmomentti 15-16 Nm)

Varaosia / Tarvikkeita:
- varaosasolenoidi FM2520
- sopiva liitin FM2524, tyyppi DIN 93650, ISO 4400
199,00 €
Alin hinta viimeisen 30 päivän aikana: 199,00 €
Varastossa 0 kpl
Myymälä Varastossa
Tornio 0
Kemi 0
Rovaniemi 0
Kuusamo 0

Tarvitsetko apua sopivan tuotteen löytämiseen?

Yhteys Henkilö
Titteli / Toimipaikka
040 123123123 sahkoposti@ojanpera.net
Ojanperä
Takaisin yläosaan
Sivustomme käyttää evästeitä käyttäjäkokemuksen parantamiseen. Voit halutessasi muuttaa valintojasi asetuksista
1 Ostoskorin tuotemäärä
Ostoskori
Yhteensä:
0,00€